Special Packages
HNJ TECH Supply Special Process Packages, its activity ranges from any kind, to the construction of Skid mounted Systems or Packages, as well as complete Turn-key plants. The principal fields of application are Oil & Gas, Petrochemical, Power and Chemical Industries.
Special Process Packages could be customized to any specific plant background or customer requirement based on International Standard in any related discipline: ATEX, API, ASME,…
HNJ TECH Engineering & project developer can rely on its team’s expertise and first class partners utilize proprietary’s design to deliver an effective tailor-made solution.
The experienced professionals at HNJ TECH enable to provide any category of Engineering and Supply service:
- Chemical injection Packages
- Water/waste water Treatment Packages
- Procurement and construction of special process packages or plants
- Pilot plants
- Project Management.
Industry know-how, creativity and flexible organization allow HNJ TECH to deliver the perfect balance between cost and quality.
Special Packages of HNJ TECH, is an engineering/procurment partner to EPC Contractors and End Users all over the world.
UREA & AMMONIA HANDLING, DOSING & VAPORIZATION
New environmental regulations require many industrial boilers and commercial combustion processes to be equipped with Selective Catalytic Reduction (SCR) of Nitrous Oxide Emissions. The SCR process typically utilizes injection of ammonia or urea upstream of a catalyst to reduce the emissions to elemental nitrogen.
HNJ TECH provides handling and dosing unit, for ammonia and urea solution, ranging from a small feed tank to a reactor and vaporized under pressure to supply a product gas stream of ammonia, carbon dioxide, and water vapor. The product gas is then mixed with heated air supplied from an electric heater or from heat exchangers on the skid unit and routed to the injection grid upstream of the SCR unit.
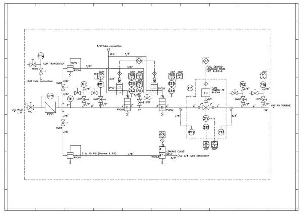
FUEL GAS DRYING & CONDITIONING

Fuel gas conditioning systems are used for treatment of raw production gas. They are designed to deliver clean, treated gas that is necessary for gas-driven equipment such as turbines and generators.
Even small amounts of liquids and/or solids or over-pressurized gas entering the combustion chamber will have detrimental effects. Birne Process systems are designed to protect gas-fuelled engines and turbines from over-pressure, liquids, solids and aerosols. Furthermore, heating the gas properly above the dew point of the water and hydrocarbon prevents liquid condensation in the combustion chambers.
The treated gas can also be used as seal gas, blanketing gas or utility gas.
HNJ TECH can design fuel gas conditioning systems, as fuel gas skids, fuel gas systems or fuel gas filtration and heating packages.
LIQUID-LIQUID EXTRACTION AND STRIPPING
a) Liquid-Liquid Extraction Process
(LLE) also known as solvent extraction and partitioning: a method to separate constituents (solutes) of homogeneous liquid solutions. In this separation process, second liquid solvent is added which is immiscible or partially miscible with the feed and the solutes of the mixture are distributed between the two phases based on their relative solubility. There is a net transfer of one or more species from one liquid into another liquid phase, generally from aqueous to organic. The solvent that is enriched in solute(s) is called extract; the feed solution that is depleted in solute(s) is called the raffinate.
This type of process is commonly used:
- After a chemical reaction as part of the work-up, often including an acidic work-up;
- If the distillation process is not feasible and convenient, because the component (solute) to be recovered is heat sensitive, non-volatile, high boiling point or azeotrope mixture cannot allow the purification.
(LLE) require a large consumption of possibly toxic solvent, which also when recycled in the system requires costly equipment. Thus, right selection of the solvent in achieving a sustainable process is required and it creates challenges to the large-scale industry implementation of the process.
If the aim of the process is to achieve a pure extract, the LLE as a downstream process is most often only the initial step. Further purification, such as distillation, crystallization or second extraction might be needed.
(LLE) has several industrial applications:
- Fermentation and algae broths (carboxylic acid, acetic acid, algae oil extraction);
- Removal of high boiling organics from wastewater (Phenol, amine, aromatics) that cannot treat by conventional and common process treatment;
- Removal of carboxylic acid (acetic, formic acid, succinic acid, valeric acid from fermentation yeast, pelargonic acid from bio oil processing);
- Protein separation and purifications (recovering of antibiotics, amino acid, steroids from fermentation broth);
- Essential oil extraction (bio-oil is produced from: biomass pyrolysis);
- Agricultural chemical extraction (herbicides and pesticides);
- Recovery reaction products caprolactam and adiponitrile from nylon production;
- Food industry applications (flavors, fragrances);
- Neutralizing acids and bases (as acrylates, nitrated organics and chloro-benzene compounds).
Type of liquid-liquid extraction process can be performed by means following methods:
- Direct centrifugal extractor;
- Settlers (gravity and mixing type);
- Column (pulse, stirred, rotating contactors).
SOLVENT RECOVERY
Solvent recovery is a special package to resolve the issue of the vapor solvent released to atmosphere by industrial facilities, saving the cost for the fresh solvent consumption and removing obnoxious, toxic odors emitted in the atmosphere (comply with environmental pollution controls), for increased workers safety.
The contaminated airflow is pre-filtered and pre-treated for the humidity removal (by cooling and heating steps) and then treated by adsorption packed bed materials. The solvents are retained into the adsorbent material pores and the cleansed air is discharged to the atmosphere.
Through staggered adsorption and desorption cycles, each adsorbent bed is periodically regenerated by counter flow of steam or hot inert gas, stripping the volatile solvents to condensation step and then to solvent recovery unit.
HNJ TECH supply any solvent recovery unit to meet each customer’s requirement. Gravity decanters are usually used for the separation of immiscible liquids (non-miscible in water). Other processing as air, steam stripping and thermal distillation are applied as final alternative solvent treatment and recovery.

This package is applied to the following industrial manufacturing:
- Adhesive tapes;
- Pharmaceutical production;
- Composite gaskets;
- Peroxides compounds;
- Rubbers, chemical products;
- Weather proof sheeting;
- Tablet coating;
- Synthetic leather;
- Packing industry.
Metering & Pump Systems
custom-designed system for every application.
Metering, cooling, heating, controlling, regulating – our customer-specific metering systems ensure the interaction of the pump, instrumentation, and accessories. HNJ TECH takes your application and specification, your interface logic, and your ideas into consideration and implements them accurately and comprehensively.
Are of application :
- Plastic Additive /Polymerization
- Lubricant
- Pharmaceutical /biotech /personal care/biofuels
- Food /flavoring /beverages
- Electronic cleaner
Chemical Injection Packages
Tailor-made packages and skids engineered according to your specifications, compliant with international standards (e.g. ASME, API, ATEX), and synchronized with handling and fabrication facilities.The chemical injection packages are custom made and based on plunger or diaphragm type injection pumps. The motor of these pumps can be either electric, air or gas driven.
The packages further consist of a multi compartment tank, suction and discharge lines valves and instrumentation. The injection rate of the chemicals is adjustable by a variable pump stroke length or a frequency drive of the (electric) motor.
The packages are based on customer specifications For:
- Slug catcher pump package
- HP separator injection pump package
- Methanol injection package
- Caustic dosing package
- Anti-foam agent unit
- Catalyst dosing unit
- Biosid & corrosion inhibitor dosing package
- Hypochlorite dosing package